VE8


Technical Data
| Type 型號 |
Air Flow 排氣量 (m3 / h) |
Motor Power 馬達功率(kw) |
Motor voltage |
Speed 馬達轉速(RPM-1) |
Vacuum 真空度(mbar) |
Weight 重量(kg) |
||||||||||
| Three-phase 三相馬達 |
Single-phase 單向馬達 |
Three-phase 三相馬達 |
Single-phase 單向馬達 |
Three-phase 三相馬達 |
Single-phase 單向馬達 |
|||||||||||
| 50Hz | 60Hz | 50hz | 60Hz | 50Hz | 60Hz | 50hz | 60Hz | 50Hz | 60Hz | 50hz | 60Hz | 50Hz | 60Hz | |||
| VE8 | 8 | 9.6 | 0.37 | 0.44 | 0.37 | 0.44 | 175~260/300~450V | 202~300/350~520V | 220~240V | 220~240V | 1420 | 1700 | 1380 | 1630 | 150 | 13 |
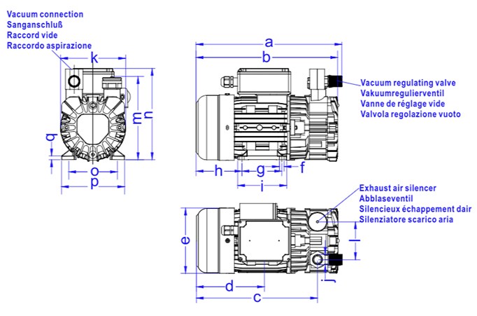
Mounting Dimensions
| Type | A | B | C | D | E | F | G | H | I |
| VE8 | 314 | 263 | 161 | 140 | 7.5 | 90.5 | 90.5 | 94.5 | 104.5 |
| Type | J | K | L | M | N | O | P | Q | |
| VE8 | 132.5 | 82 | 168 | 176.5 | 112 | 131.5 | 131.5 | 10 |
Performance Data


