KVE200~KVE360


技術資料
| Type 型號 |
Air Flow 排氣量 (m3 / h) |
Motor Power 馬達功率(kw) |
Vacuum |
Noise level 噪音值[dB(A)] |
Speed 馬達轉速(RPM-1) |
Weight 重量(kg) |
Motor type 馬達型號 |
||||
| 50Hz | 60Hz | 50hz | 60Hz | 50hz | 60Hz | 50hz | 60Hz | ||||
| KVE200 | 178 | 218 | 4.0 | 4.8 | 200 | 75 | 77 | 960 | 1150 | 258 | B5/300 |
| KVE250 | 250 | 300 | 5.5 | 6.6 | 200 | 81 | 81 | 960 | 1150 | 280 | B5/350 |
| KVE360 | 351 | - | 11.0 | - | 250 | 80.5 | - | 1430 | - | 312 | B5/350 |
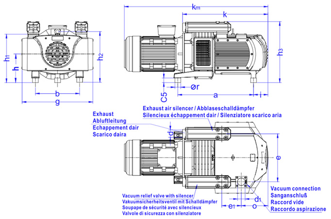
安裝尺寸
| Type | a | b | c5 | d | c1 | e | e1 | g | h | h1 | h2 | h3 | l | k | km | o | ∅r | s |
| KVE200 | 645 | 380 | 40 | G2" | G2-1/2" | 423 | 216 | 612 | 226 | 388.5 | 426 | 493.5 | 125 | 684 | 1092 | 171.5 | 50 | M10 |
| KVE250 | 645 | 380 | 40 | G2" | G2-1/2" | 423 | 216 | 612 | 226 | 388.5 | 426 | 493.5 | 125 | 684 | 1092 | 171.5 | 50 | M10 |
| KVE360 | 645 | 380 | 40 | G2" | G2-1/2" | 423 | 216 | 612 | 226 | 388.5 | 426 | 493.5 | 125 | 684 | 1092 | 171.5 | 50 | M10 |
性能曲線


