VE10~40


技术资料
| Type 型号 |
Air Flow 排气量 (m3 / h) |
Motor Power 马达功率(kw) |
Motor voltage |
Speed 马达转速(RPM-1) |
Vacuum 真空度(mbar) |
Noise level 噪音值[dB(A)] |
Weight 重量(kg) |
|||||||
| Three-phase 三相馬達 |
Single-phase 單向馬達 |
|||||||||||||
| 50Hz | 60Hz | 50hz | 60Hz | 50hz | 60Hz | 50Hz | 60Hz | 50hz | 60Hz | 50Hz | 60Hz | |||
| VE10 | 10 | 12 | 0.37 | 0.44 | 175~260/330~450V | 202~300/350~520V | 230V±10% | 230V±10% | 1420 | 1700 | 150 | 60 | 62 | 15 |
| VE16 | 16 | 19.2 | 0.55 | 0.66 | 175~260/330~450V | 202~300/350~520V | 230V±10% | 230V±10% | 1420 | 1700 | 150 | 61 | 64 | 22 |
| VE25 | 25 | 30 | 0.75 | 0.9 | 190~255/330~440V | 190~290/350~500V | 230V±10% | 230V±10% | 1420 | 1700 | 150 | 62 | 67 | 28 |
| VE40 | 40 | 48 | 1.25 | 1.5 | 190~255/330~440V | 190~290/330~500V | 230V±10% | 230V±10% | 1420 | 1700 | 150 | 67 | 72 | 39 |
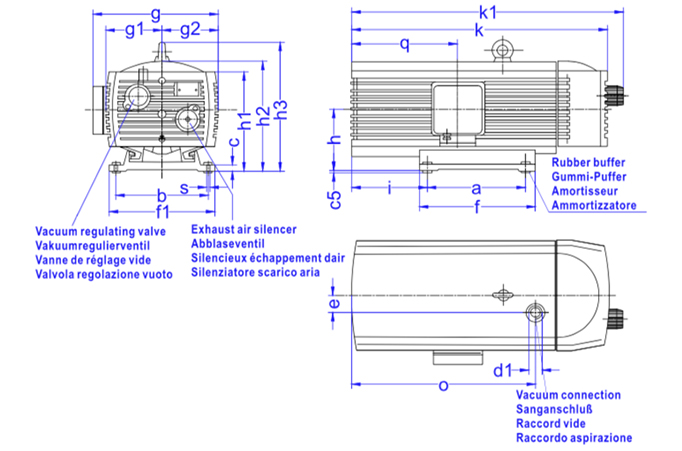
安装尺寸
| Type | a | b | c | c5 | d | e | f | f1 | g | g1 | g2 | h | h1 | h2 | h3 | l | k | k1 | 0 | q | ∅s |
| VE10 | 205 | 128 | 15 | 3 | G1/2" | 35 | 244 | 156 | 202 | 89 | 89 | 107 | 176 | 189 | 192 | 60 | 387 | 426 | 257 | 118.5 | 7 |
| VE16 | 205 | 128 | 15 | 3 | G1/2" | 35 | 244 | 156 | 225 | 102 | 102 | 113 | 186 | 182.5 | 208 | 70 | 415 | 454 | 289 | 151.5 | 7 |
| VE25 | 220 | 198 | 15 | 3 | G3/4" | 40 | 260 | 240 | 252 | 125 | 125 | 140 | 226 | 227 | 292 | 101 | 465 | 502 | 300 | 170 | 7 |
| VE40 | 220 | 198 | 15 | 3 | G3/4" | 40 | 260 | 240 | 270 | 125 | 125 | 140 | 226 | 227 | 292 | 136 | 531 | 570 | 362 | 195.5 | 7 |
性能曲线


